he connection between the mast-pull-frames and the building:
a) The construction organization shall design the connection between the foundation
support and building according to the support force provided in the attachment
arrangement from and carry out the corresponding calculation (including the calculation of
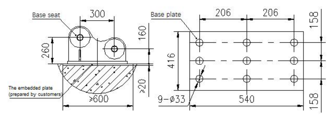
the connection strength and the bearing capacity of the building). b) If used the embedded ways, it is recommendable to use the embedded plate (prepared by
customers). the material is Q355B and the thickness is no less than 25mm, length and
width not less than 600×500mm. c) The welding between foundation support and the embedded plate are recommend to use
E5016 welding rod, height of weldment is 24mm, 9 of Ф33 hole plug welding. d) If used the bolts to connect, position size of the embedded bolts according to bottom
foundation support from the Fig. 4- 73 to assign, M30 bolt must be more than 8.8.
