Sort by:
Foundation support
¥0.00
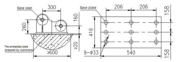
he connection between the mast-pull-frames and the building:a) The construction organization shall design the connection between the foundationsupport and building according to the support force provided in the attachmentarrangement from...
